進口氣動三通內螺紋球閥
德***萊克閥門中***總代理-germany lik valves international
簡介:
德***萊克LIK品牌:進口氣動三通球閥采用新型氣動執行器,有雙作用式和單作用式(彈簧復位),齒輪齒條傳動,安全可靠;用于介質分流、合流及流向切換,任何 個管道都可以作為入口或出口。德***萊克三通球閥分有L型和T型,可以滿足不同的生產工藝要求。可以根據需要,任何 個管道都可以作為入口或出口。L型閥是對三條管道中的兩條管道進行切除,T型閥實現把三條連通管道進行合流與分流。
進口氣動三通內螺紋球閥標準規范
閥門螺紋類型:G·NPT·BSPT DIN259/2999
閥門檢 驗:ISO/DIN 5208—1987
驅動裝置連接:ISO 5211
參數:
公稱壓力:PN1.6、2.5、4.0、6.4Mpa、1000WOG
連接方式:螺紋(L型、T型)
閥體材質:鑄鋼(WCB)、不銹鋼CF8(304)、CF8M(316)
閥球材質:不銹鋼CF8(304)、CF8M(316)
密封材料:PTFE、PPL
適用溫度范圍:-20℃~232℃~350℃
適用介質:水、油、氣等某些腐蝕性液體(W·O·G)
主要零件材質表

|
序號
|
零件名稱
|
材質
|
|
1
|
接頭
|
不銹鋼 CF8、CF8M
|
|
2
|
閥座
|
PTFE
|
|
3
|
球體
|
不銹鋼 304、316
|
|
4
|
墊片
|
PTFE
|
|
5
|
閥體
|
不銹鋼 CF8、CF8M
|
|
6
|
螺栓
|
不銹鋼 304
|
|
7
|
閥桿
|
不銹鋼 304、316
|
|
8
|
墊片
|
PTFE
|
|
9
|
填料
|
PTFE
|
|
10
|
壓蓋
|
不銹鋼 304、316
|
|
11
|
連接支架
|
不銹鋼 CF8
|
|
12
|
連接套
|
不銹鋼 304
|
|
13
|
螺栓
|
不銹鋼 304
|
|
14
|
氣動裝置
|
|
*: 系列球閥主要零部件及密封圈的材質可根據實際工況條件用戶。
進口氣動三通內螺紋球閥詳細介紹:
★氣動執行器表面經陽 氧化處理,齒輪齒條結構,
★有開關兩個位置+/-5°行程調節
★NAMUR標準氣源接口,可與電磁閥直接連接
★三通球閥任 通口均可用作入口而無泄露,并可根據工況需要制成L型或T型通道,使安裝更加方便
★三通球閥分為L型和T型,L型適用于介質的流向切換,能使相互垂直的兩個通道聯通,T型適用于介質的分流,合流或流向切換。
★雙層閥桿填料符合德***TüV TA-LUFT的閥桿泄露測試要求
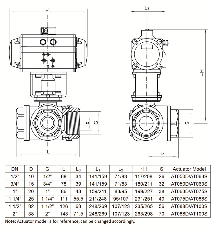
進口氣動三通內螺紋球閥結構圖和結構尺寸
