進口防爆電動V型球閥
德***萊克閥門中***總代理-germany lik valves international
防爆電動V型球閥執行機構簡介:
德***萊克電動防爆執行器用于控制0°- 270°旋轉IHE閥門及其他同類產品,如蝶閥、球閥、風門、擋板閥旋塞閥,等。它廣泛應用于石油、化工、水處理、船舶、造紙、發電、供熱、輕工等行業。它可以通過380V/220V或110V交流電源或24V或110V直流功率驅動,輸入4-20mA電流信號或0-10V直流電壓信號作為控制信號。它使閥移動到正確的位置,實現自動控制, 大輸出扭矩為2000N·M.(OHQ系列產品已獲得CE和防爆證書)。
執行器的規格
扭矩范圍:7-2000nm
活動范圍:0-270°,0-90°
環境溫度:30ºC ~ + 60ºC
工作壓力:0-4.0mpa(40bar)
打開/關閉時間:7s-100s
線數:2-7線
執行機構:鋁合金
防護等 :IP67,IP68
電壓:24V直流110V交流,交流220V、380V交流
類型:關閉,調節(調節),被動接觸
現有的閥門尺寸:球閥(DN15-DN200);蝶閥(dn25-dn400)
進口防爆電動V型球閥閥體簡介:
|
公稱通徑DN(mm)
|
25~400
|
|
公稱壓力PN(MPa)
|
1.6~6.4
|
|
公稱壓力Ps(MPa)
|
強度試驗
|
2.4~9.6
|
|
密封試驗
|
1.76~7.0
|
|
材料代號
|
C
|
P
|
R
|
|
主要
零件
|
閥體
|
WCB
|
ZG1Cr18Ni9Ti
|
ZGOCr18Ni12Mo2Ti
|
|
球桿
|
2Cr13
|
ZG1Cr18Ni9Ti
|
ZG0Cr18Ni12Mo2Ti
|
|
閥桿
|
2Cr13
|
1Cr18Ni9Ti
|
0Cr18Ni12Mo2Ti
|
|
密封圈
|
聚四氟乙烯、不銹鋼、硬質合金
|
|
填料
|
聚四氟乙烯、柔性石墨
|
|
適用
工況
|
適用介質
|
水,蒸汽,油品
|
硝酸類
|
醋酸類
|
|
適用溫度
|
-28~400℃
|
-28~500℃
|
|
執行器
|
型 號
|
CH、3410R、UNIC、PSQ、HQ、DHL等系列電子式電動執行機構
|
|
連接形式
|
對夾式、法蘭式,法蘭按JB79-59標準
|
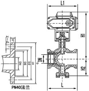
進口防爆電動V型球閥外形尺寸
|
公稱通徑
DN(mm)
|
尺 寸 (mm)
|
|
對夾
|
法蘭式
|
L
|
H1
|
H2
|
|
D
|
D
|
D1
|
D2
|
q
|
Z-Φd
|
|
25
|
64
|
110
|
85
|
65
|
14
|
4-14
|
102
|
277
|
60
|
|
40
|
82
|
145
|
110
|
85
|
16
|
4-18
|
114
|
305
|
75
|
|
50
|
100
|
160
|
125
|
110
|
16
|
4--18
|
124
|
364
|
95
|
|
65
|
120
|
180
|
145
|
120
|
18
|
4-18
|
145
|
379
|
105
|
|
80
|
131
|
195
|
160
|
135
|
20
|
8-18
|
165
|
389
|
120
|
|
100
|
158
|
215
|
180
|
155
|
20
|
8-18
|
194
|
402
|
140
|
|
125
|
180
|
245
|
210
|
185
|
22
|
8-18
|
213
|
426
|
165
|
|
150
|
216
|
280
|
240
|
210
|
24
|
8-23
|
229
|
453
|
185
|
|
200
|
268
|
335
|
295
|
265
|
26
|
12-23
|
243
|
473
|
205
|
|
250
|
326
|
405
|
355
|
320
|
30
|
12-25
|
297
|
540
|
240
|
|
300
|
460
|
460
|
410
|
3750
|
30
|
12-25
|
338
|
590
|
290
|
|
350
|
470
|
-
|
-
|
-
|
-
|
|
-
|
|
|
|
400
|
525
|
-
|
-
|
-
|
-
|
|
-
|
|
|
|

|