進口氣動三片式真空球閥
德***萊克閥門中***總代理-germany lik valves international
進口氣動三片式真空球閥用途和使用范圍:
GUQ型氣動高真空(壓力)球閥是通過電磁換向閥改變氣路方向,控制執行氣缸來驅動球閥,達到接通或切斷真空(壓力)系統管道路中的介質流。應用于真空、乳制品、酒業、生物工程、食品、制藥、飲料、化妝品及化工領域。可選配反饋信號裝置及電氣閥門定位器。GUQ系列氣動真空球閥是在1.3×10-7~6×105Pa的真空系統中用來開啟或隔斷氣流的氣動閥門,廣泛適用各類氣體,液體等正、負壓力管道系統,符合GMP標準。
進口氣動三片式真空球閥主要性能:
● 漏率:1.3×10-9Pa.M3/S;
● 壓力范圍:5×10-7Pa~0.6Mpa;
● 工作溫度:-30℃~+232℃;
● 氣源壓力:0.4~0.6 Mpa;
● 工作介質:水、蒸氣、酸、堿;
● 安裝位置:任意;
● 壽命:≥20000次。
原理:
進口氣動三片式真空球閥是適用于真空系統中接通或切斷管路的介質流。該閥采用回轉型電動、電子調節式閥門驅動裝置,可以通過外接電源的切換(用手動轉位開關或電腦控制)或外部輸入信號,來實現閥門開、關或中間位置的控制。閥門為直通式,靠球面密封,因而既能用在真空狀態下,也能在低壓狀態下使用。并可以任意位置安裝。
進口氣動三片式真空球閥的性能特點:
● 密封結構設計獨特,漏率可達到<1×10-10Pa.M3/S,改變了球閥不能滿足高真空、超高真空的現狀;
● 開關扭矩小,配置氣動執行器小,工作穩定、可靠;
● 結構緊湊,重量輕,外形簡潔、美觀;
● 該閥既能適用高真空,又能適用 定的正壓力下 使用;
由于球閥全通導,又能達到超高真空要求,所以 也能適用于加速器真空系統。
主要零件材料:
閥體 304、316L; 球體 316L;
密封件 增強聚四氟乙烯

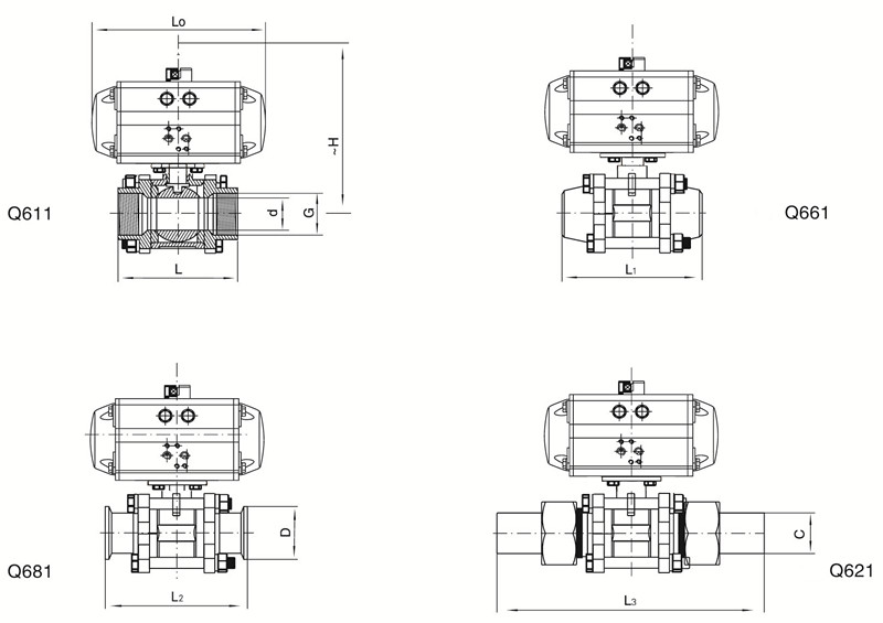
進口氣動三片式真空球閥結構特點:
|
DN
|
L0
|
L
|
L1
|
L2
|
L3
|
~H
|
d
|
G
|
D
|
C
|
Actuator Model
|
|
1/2"
|
141/159
|
72
|
70
|
100
|
170
|
159/175
|
95
|
65
|
46
|
21
|
AT050D/AT063S
|
|
3/4"
|
141/159
|
82
|
85
|
110
|
185
|
167/183
|
105
|
75
|
56
|
26
|
AT050D/AT063S
|
|
1"
|
141/211
|
90
|
95
|
120
|
200
|
172/215
|
115
|
85
|
65
|
31
|
AT063D/AT075S
|
|
1 1/4"
|
159/211
|
112
|
110
|
131
|
225
|
210/230
|
140
|
100
|
76
|
38
|
AT063D/AT088S
|
|
1 1/2"
|
211/248
|
120
|
201/209
|
98/108
|
260
|
218/248
|
150
|
110
|
84
|
46
|
AT075D/AT088S
|
|
2"
|
211/269
|
145
|
209/242
|
108/120
|
300
|
248/283
|
165
|
125
|
99
|
60
|
AT088D/AT100S
|
|
2 1/2"
|
248/315
|
185
|
242/275
|
120/132
|
|
273/320
|
185
|
145
|
118
|
|
AT088D/AT115S
|
|
3"
|
269/345
|
210
|
275/332
|
132/148
|
|
313/335
|
200
|
160
|
132
|
|
AT100D/AT125S
|