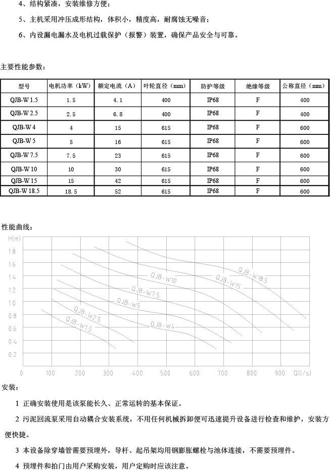
產品使用范圍:
QJB-W 型污泥回流泵是在潛水攪拌機生產技術基礎上開發的新型產品,該泵為二 污水處理廠混合液回流、反硝化脫氮的專用設備,亦可以用于地面排水時抽凈化水;灌溉和控制水道系統;廢水處理過程中再循環或泥漿抽吸回路中需要微揚程、大流量場所。
使用條件:
1、連續運行時,介質溫度不高于40℃;
2、介質PH 值為6-9。
3、 大潛沒深度10m。

該曝氣機由潛水電泵與噴射泵組成,從而使水體攪動與充氧同時進行,既可獲得較高的氧氣吸收率,又具有葉輪無堵塞優點。強有力的單向液流,造成有效的對流循環,且電機負荷隨水位的變化很小,安裝簡單。

專門設計的裝置部件和設備備件使污泥回流泵達到 佳性能。
1、電纜:電纜采用特制水密電纜;
2、接線盒:接線盒是全封閉的,與周圍液體和定子箱是隔離的;
3、電機:50Hz 鼠籠式3 相潛水異步電動機,F 緣,防護等 IP68。電機由周圍介質冷卻;
4、軸:電動機的軸采用不銹鋼材料制作,轉子作動平衡試驗;
5、密封:靜密封為O 型密封圈。軸密封為機械密封,將油室與周圍介質隔離;
6、軸承:采用進口軸承,設計使用壽命可達100,000 小時以上;
7、油室:油用于潤滑和冷卻機械密封摩擦副,并隔離滲透液;
8、葉輪:葉輪有三枚葉片,葉片寬而薄,表面光滑呈后掠式,高效、無阻運轉,且具有自清功能;
9、進口錐管:進口錐管的目的是為了形成 好的流動狀態;
10、排出接頭:排出接頭用于將進口錐管固定在出水管上;
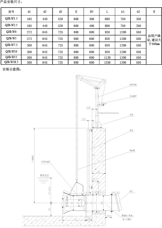
11、引導裝置:引導裝置由兩根管子(導管)和上方導管夾具所組成。



產品特點:
1、按微揚程大流量專門設計,效率高;
2、抗堵塞、纏繞,使用可靠;
3、采用 新的密封材料,可以安全連續運行10000 小時以上;



不同大小的設備用不同的裝箱,保證設備外觀完好 ,安裝系統支架因為外觀不規則,我們會用軟材包裝好 起發送,如在運輸過程中有所損失,請諒解。
物流運輸箱內:設備主機+合格證+安裝說明書+配件

碧海是環保設備的 生產型企業,公司致力于打造環保行業 的環保設備供應商。公司位于江蘇省南京市六合區龍池街道雄州南路399號恒盛園,是 ***擁有自主研發及生產銷售的企業。
碧海環保秉承“精心設計,技術創新,持續改進,顧客滿意”的質量方針,精益服務,***求實,誠信共享,創業創新。目前,碧海環保已與***內外多*** 環保專業公司、高等院校和環保研究機構建立長期戰略合作伙伴關系,為保護環境,造福人類作貢獻。
公司主營環保產品有:
混合攪拌機系列: QJB潛水攪拌機QJB沖壓式攪拌機QJB低速推流攪拌機雙曲面攪拌機槳式攪拌機框式攪拌機污泥回流泵浮筒攪拌機 潛水曝氣系列:射流曝氣機離心曝氣機深水曝氣機浮筒攪拌曝氣機 攔污輸送系列:回轉式機械格柵無軸螺旋輸送機螺旋壓榨機沉砂池除砂機砂水分離器 刮泥機系列: 周邊傳動中心傳動 行車式虹吸式等刮吸泥機 水處理設備: 潷水器地埋式管式靜態混合器閘門 潛水泵系列: AS AV WQ AF型潛污泵 等 。
南京碧海環保設備的誠信、實力和產品質量獲得業界的認可。歡迎各界朋友蒞臨參觀、指導和業務洽談。
聯系人: 朱奎 生 (銷售部 經理)
電話: 86 025 66160698
移動電話: 15951606242
傳真: 86 025 57756855
地址: 中*** 江蘇 南京市六合區 龍池街道 雄州南路399號恒盛園
郵編: 211500
公司主頁: http://www.njbihai.com