不銹鋼振動篩簡介:
不銹鋼振動篩是 種高精度細粉篩分機械,無論物料是干是濕,是精細是粗糙,是比重大是比重輕,0-400目都可以篩選,不管是液態的,還是漿狀的0-600目都可以過濾. 在食品、醫藥行業中應用廣泛,食品、醫藥行業對衛生安全的管理要求嚴格,如振動篩分設備在食品、醫藥行業中要求整機為304或316不銹鋼材質,與物料接觸部分不允許有雜質污染,振動篩密封件配備食品 衛生標準(硅膠),大漢機械公司有多年的不銹鋼振動篩制造經驗,不銹鋼振動篩型號有直徑400mm、600mm、800mm、1000mm、1200mm、1500mm、1800mm,也可以為您特殊訂做。大漢"振動篩系列產品同時配備專門的篩網清理裝置,把堵網率降到***低,過網率和處理精度得以有效提高."大漢"具備特殊型號制造的能力讓顧客對"大漢"有更多的選擇. 歡迎來電咨詢、來廠參觀。
不銹鋼振動篩工作原理:
由直立式電機作激振源,電機上、下兩端安裝有偏心重錘,將電機的旋轉運動轉變為水平、垂直、傾斜的三次元運動,再把這個運動傳遞給篩面。調節上、下兩端的相位角,可以改變物料在篩面上的運動軌跡,由于其振動運轉原理很多企業也稱之為“三次元振動篩分過濾機”,根據外形結構被部分客戶稱呼為不銹鋼圓形篩。

不銹鋼振動篩特點:

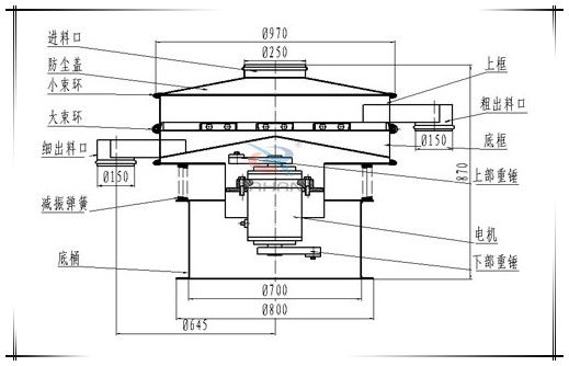
不銹鋼振動篩結構及技術參數:


不銹鋼振動篩應用行業:
化工行業:樹脂、涂料、工業藥品、化妝品、油漆、中藥粉等。
食品行業:糖粉、淀粉、食鹽、米粉、奶粉、豆漿、蛋粉、醬油、果汁等。
金屬、冶金礦業:鋁粉、鉛粉、銅粉、礦石、合金粉、焊條粉末、二氧化錳、電解銅粉、電磁性材料、研磨粉、耐火材料、高嶺土、石灰、氧化鋁、重質碳酸鈣、石英砂等。
公害處理:廢油、廢水、染整廢水、助劑、活性碳等
旋振篩網架結構的特點:
1、節省時間(3-5分鐘篩網更換方便)。
2、節省人力、換網***多只用兩人。
3、增加生產線的流暢性。
4、增加篩網壽命,彈跳球不直接撞擊篩網。
5、篩網使用壽命長。
不銹鋼振動篩生產廠***大漢振動機械售后承諾:
1、保修期內非因操作不當造成需要更換的零配件及設備由我廠負責包修、包換。
2、質量保證期結束后,我廠將繼續免費提供售后服務,不限年份終身服務,僅收取零部件成本費。