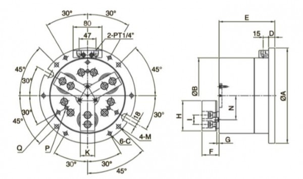
后拉式(氣)油壓卡盤
價 格:詢價
產 地:上海更新時間:2024-12-16 11:14
品 牌:其他型 號:
狀 態:正常點擊量:1998
400-006-7520
聯系我時,請說明是在上海非利加實業有限公司上看到的,謝謝!
聯 系 人:
上海非利加實業有限公司
電 話:
400-006-7520
傳 真:
400-006-7520
配送方式:
上海自提或三方快遞
聯系我時請說在上海非利加實業有限公司上看到的,謝謝!
產品介紹
后拉式(氣)油壓卡盤
后拉式(氣)油壓卡盤在鉆、銑加工時,夾持工件穩固不會上浮,適用重切削或鑄件及鍛件的加工。
防銹處理:在潮濕及工作環境較差的情況下,不會生銹或卡死。
防塵裝置;在鉆銑工作中,切削及冷卻液不易進入卡盤內部,確保卡盤的使用壽命和精度。
重力夾持設計:搭配油壓系統作重力夾持工作,結構穩固不會變形。
