亞德客AirTAC GV系列慢啟閥
airtac品牌介紹
廣亞憑借得天獨厚的地域人才優勢,注重對科技人才的招募和培養,現已擁有 批集產品設計、開發于 身的科研隊伍。廣亞從 各***引進 進的機械設備和生產技術,以此提升生產工藝。廣亞 后增建數條電磁閥流水線,通過流水線的嚴格控管,為每件出廠的成品提供品質保證。隨著技術水平和生產效率的不斷提升,廣亞年產總值年年屢創新高,有力地彰顯出廣亞強勁的發展勢頭。
AIRTAC臺灣亞德客工業股份(簡稱臺亞)成立于1988年11月,1990年更名為臺亞。早期的臺亞主要生產電磁閥,此后陸續研發生產氣缸、氣源處理等產品。目前,臺亞產品以特殊規格氣缸為主,擁有七大類十余系列數百個品種,年產量達到20萬件套,主要供應臺灣本地市場,滿足客戶需求及時效性。
AIRTAC以拓展集團生產和服務為未來發展的戰略目標,堅持走人本優 、改革創新和集團化道路。秉承“人本、共享、發展、責任”的企業核心價值觀,亞德客始終如 地貫徹“以客為尊”的經營理念,始終如 地堅持“以技術創新為核心,以市場需求為導向”的經營方針,藉以不斷完善“建立共好、責任承擔、賞罰分明、學習成長”的集團文化,努力奮斗,自強不息,長久致力于 工業自動化的持續發展。
從成立至今,臺灣亞德客AIRTAC中***公司設立了32***銷售分公司和30余***辦事處,以此確保公司的供貨能力和供貨速度符合客戶需求。目前,健良(上海)擁有 支反應迅速、紀律嚴明、技術精湛、責任明確、服務周全的專業營銷隊伍,擁有近兩萬余***穩定客戶,并與大陸地區150余***信譽良好的經銷商和代理商保持良好合作關系。
2005年,亞德客企業集團耗資新臺幣 億六仟萬元,在臺北縣土城工業區內購置4800平方米土地,興建了 棟現代化科技廠辦大樓及成品自動倉儲。日新月異的臺亞將憑借著 進的設備、完善的技術、科學的管理竭誠向廣大新老客戶提供高質量、高品質的產品與服務。
airtac產品特點
產品特性
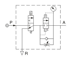
慢啟閥用于在氣動系統中安全地建立壓力,起安全保護作用。進氣與慢啟閥的輸入P相連,若線圈通電時,三口二位閥打開,此時有少量的空氣通過節流閥到輸出A,使系統的壓力緩慢地建立起來;當輸出壓力等于輸入壓力 半時,慢啟閥完全開啟,此時流量達到本身 高。當線圈斷電時,進氣P關閉,空氣便通過單向閥返回到R口快速排走,系統壓力降到零,對整個系統起到安全保護作用。
產品規格

安裝與使用
應根據啟動速度要求,用手動方式調節慢啟閥底部“+”、“-”處速度調節螺絲,只可緩慢調節,用力過大可能造成慢啟閥或系統的突然作動。

訂購碼
功能符號
airtac型號大全
臺灣AIRTAC亞德客 TN32*10-S
臺灣AIRTAC亞德客 MF32*350-S-CA
臺灣AIRTAC亞德客 4A220-06-4A230C-06
臺灣AIRTAC亞德客 SI200*450-S
臺灣AIRTAC亞德客 SU80*80-S
臺灣AIRTAC亞德客 2P025-08
臺灣AIRTAC亞德客 MI25*60-S-CA
臺灣AIRTAC亞德客 SDA50*15-B -N
臺灣AIRTAC亞德客 SI125*250-S
臺灣AIRTAC亞德客 SU125*50-S
臺灣AIRTAC亞德客 MF25*80-S-U
臺灣AIRTAC亞德客 MF40*80-S-CA
臺灣AIRTAC亞德客 ACQS16*35-B -N
臺灣AIRTAC亞德客 MI16*30-S-CA
臺灣AIRTAC亞德客 PB12*160-S-U
臺灣AIRTAC亞德客 SU63*400-S
臺灣AIRTAC亞德客 SI200*700-S
臺灣AIRTAC亞德客 ACQ25*25-B -N
臺灣AIRTAC亞德客 SDAS50*40-B -N
臺灣AIRTAC亞德客 PTB
亞德客AirTAC GV系列慢啟閥