超聲波液位計
價 格:詢價
產 地:河北更新時間:2025-02-14 10:46
品 牌:其他型 號:
狀 態:正常點擊量:1802
400-006-7520
聯系我時,請說明是在上海非利加實業有限公司上看到的,謝謝!
聯 系 人:
上海非利加實業有限公司
電 話:
400-006-7520
傳 真:
400-006-7520
配送方式:
上海自提或三方快遞
聯系我時請說在上海非利加實業有限公司上看到的,謝謝!
產品介紹
、產品概述
GKYWG-60C超聲波液位計是由微處理器控制的數字液位儀表,安裝于被測容器上部,利用超聲波發射接收的原理,可以準確測量容器內多種介質(毒性、腐蝕性、易發揮、易泄露等)的液位。液位計結構簡單,安裝維護方便,可廣泛應用于石油,化工,食品,水處理等行業。
超聲波液位計(超聲波液位儀)分類:
經濟型超聲波液位計
高精度型超聲波液位計
高壓型超聲波液位計
(4-20MA信號)超聲波液位計
總線485型超聲波液位計
可選供電型超聲波液位計
雙供電型超聲波液位計
二、工作原理
超聲波液位計由三部分組成:超聲波換能器、處理單元、輸出單元。工作時,換能器發出超聲波脈沖,脈沖經液體表面反射后被換能器接收,從超聲波發射到被重新接收的時間與其距離成正比。微處理器檢測該時間,根據聲速計算出換能器到液面的距離。通過減法運算即得出液位值。變送器模電轉換電路輸出4~20mA信號或RS485 MODBUS信號。
三、產品特點
○自動功率調整、增益控制、溫度補償
○無維護工作量
○36通道高頻處理器
○可用于有毒、腐蝕、易燃易爆等危險場所
○安全、美觀、防護等 高
○測量穩定性高
四、主要技術參數
○測量范圍:5m、10m、15m、20m
○測量精度:±0.3%FS*(標準條件*)
○溫度范圍:-20℃~90℃
○ 大壓力:1.5MPa
○防爆認證:ExdⅡCT4,ExiaⅡCT4
○防護等 :IP67
○供電:24VDC 220VAC
○線制:兩線制、四線制
○輸出信號:4~20mA RS485
○固定方式:定做法蘭
○接液材質:304、316、316L、PVC等
○現場顯示:是
五、安裝連接
超聲波液位計在安裝時必須考慮盲區問題。當液位進入盲區后,超聲波變送器就無法測量液位了,所以在確定超聲波液位計的量程時,必須留出50公分的余量,安裝時,變送器探頭必須高出 高液位50公分左右。這樣才能保證對液位的準確監測及保證超聲波液位計的安全。

如上圖所示,儀表的探頭發波打到液位后反射回探頭,探頭接收到后計算發波到收波的時間,得到測量距離L,儀表安裝高度TH減去測量距離L將得到當前液位H。
儀表量程指儀表能夠測量的距離,安裝高度TH應小于量程。
超聲波液位計盲區指儀表在探頭附近無法測量的區域,高液位與探頭間距應大于盲區,例盲區為0.3m,則高液位與探頭間距必須大于0.3m。
探頭發波是個擴散過程,即有方向角,安裝的時候要注意,否則可能打到池壁的凸起物或渠道邊沿。
注:使用超聲波物位計時,務必保證高料位不能進入測量盲區。
超聲波液位計有三種安裝方式:
螺母安裝

法蘭安裝

支架安裝


安裝孔(延伸管)要求
安裝孔的直徑、長度應符合儀表的要求。
若液位/物位能進入儀表的盲區,則需安裝延伸管抬高探頭的安裝高度。延升管的直徑、長度應符合儀表的要求。
要求如右圖所示。
請根據實際情況,確定Lmax,和Dmin的尺寸。
注意:
1.延伸管的內壁需光滑(無焊接縫合和對接縫)。
2.延伸管的下管口須光滑,無毛邊,有45度倒角 佳。

波導管

若現場存在強烈的回波干擾(如在狹窄豎井、無法規避的臺階、攪拌葉片等)或液面存在大量泡沫,推薦使用直徑大于100mm的PE或PVC管作為超聲波的波導管。
注意:
頂部有通氣孔,確保管內、管外液位 致。
波導管內壁須光滑(無焊接縫和對接縫)。
波導管管口要光滑,有45度的倒角 為理想。
固定波導管,應考慮減振措施,防止管內存在聲波干擾。
為了確保波導管內壁沒有掛料,有必要定期清理/檢查波導管。
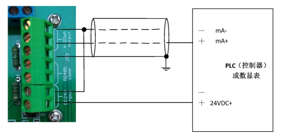
六、電氣連接


四線制