***、探測器的選型
對于此類分光光度計在探測器的選擇重要考慮的問題:
1. 由于后分光式分光光度計可同時提供多個波長,采用面陣CCD、光電二極管陣列等平面光電探測器可同時對幾個波長進行測試,測試速度快。
2. 由于波長為340 nm 的單色光信號較弱,除了在光路中使用必要的紫外光學元件和光路優化外,對陣列探測器在紫外的靈敏度和噪聲等指標也有非常高的要求.紫外增強硅探測器在性價比方面有非常重要的優勢.
A5V-35UV是全球***的探測器生產廠***OSI公司生產的35通道紫外增強硅探測器, 非常適合應用于此類分光光度計. 先鋒科技股份有限公司作為OSI在***內此領域的獨***代理商,為***內客戶提供適用于生化分析儀的*佳探測器。

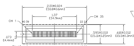
圖2 A5V-35UV封裝尺寸圖
A5V-35UV以雙列直插共40 pin DIP封裝,其中有35個二極管探測器,因此也就有35個信號輸出引腳,還包括2個地引腳以及3個空腳。每個二極管探測器寬為0.9 mm ,高為4.4mm ,相鄰探測器間隙為0.1mm, 探測器間距為1mm。其封裝尺寸與市面上的主流品牌完全兼容.
A5V-35UV在340nm處的響應度可達到0.15A/W ,在400nm左右更可達到0.27A/W,比其它品牌好,這對于提高信噪比和后續的信號處理分析有非常重要的意義.如下是幾種探測器的響應度比較.

圖2 幾種35通道紫外增強硅探測器響應度比較
據業界多***公司測試,A5V-35UV系列探測器在全自動生化分析儀用分光光度計的應用中,紫外靈敏度有非常顯著的性能優勢.
二: 分光光度計的波長校準方法
作為標定光源,輸出單色光的波長準確性將直接決定多光譜儀的準確性,所以對標定光源的波長準確性和重復性要求很高;由于生化分析儀中需要測試的波長隨不同樣品而不同,所以很難找到滿足所有波長的特征線光源,目前通常用可調單色光源作為標定光源.
可調單色光源通常有手動可調單色光源和電動控制可調單色光源。手動可調單色光源通常用的是正弦式驅動的光譜儀,但是由于長期使用會導致磨損,重復性下降,所以輸出波長就會產生偏移,而且手動調節速度較慢,效率較低,沒有辦法滿足生產要求.
卓立漢光的TLS系列光源是電動控制可調單色光源,采用渦輪渦桿結構,每***套光譜儀都采用單獨配對研磨的渦輪渦桿,而且通過內置控制模塊消除機械回程差,從而有效保證可調單色光源的重復性.
該光源提供Omni-OCX二次開發控件,波長控制采用上位掃描控制,方便全自動化工裝的整合,可以與分光模塊的探測器數據采集模塊實現聯合控制,做成全自動標定工裝,大大提供生產效率.

TLS可調單色光源輸出單色光光譜圖

可調單色光源輸出單色光重復性測試(550nm,重復調節5次的光譜測試圖)